Über 300.000 Kunden - wir sagen Danke!

40,000+ Produkte aus Jagd und Schiesssport

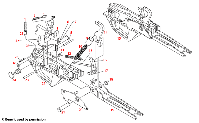
Die Explosionszeichnung zeigt detailliert die Komponenten und den Aufbau der Abzugseinheit der Benelli U.S.A.® Super Black Eagle II, um Reparaturen und Wartungen zu erleichtern.

Benelli U.S.A.® Super Black Eagle II Trigger Assembly Explosionszeichnung - Entdecke die Details!

Willkommen auf der Seite der Benelli U.S.A.® Super Black Eagle II Trigger Assembly Explosionszeichnung! Hier findest du eine detaillierte Explosionszeichnung, die dir hilft, die einzelnen Komponenten und deren Anordnung im Abzugssystem deiner Super Black Eagle II zu verstehen. Diese Zeichnung ist ein unverzichtbares Werkzeug für alle, die Wartungsarbeiten durchführen oder Reparaturen an ihrem Gewehr vornehmen möchten. Die Explosionszeichnung zeigt präzise alle Teile, sodass du genau weißt, wo jedes Element sitzt und wie es funktioniert. Nutze diese Ressource, um dein Wissen zu erweitern und dein Schusswaffenverständnis zu vertiefen.

Benelli U.S.A.® Super Black Eagle II Trigger Assembly



Benelli U.S.A.® Super Black Eagle II Trigger Assembly Explosionszeichnung


Benelli U.S.A.® Super Black Eagle II Trigger Assembly
Klicke auf eine rote Nummer, um mehr Informationen über das betreffende Produkt zu erhalten und um es in den Warenkorb zu legen. Klicke "SKU Liste" um alle anderen Teile für diese Explosionszeichnung zu sehen.

Benelli U.S.A.® Super Black Eagle II Trigger Assembly Ersatzteile


Zurück nach oben