Über 300.000 Kunden - wir sagen Danke!

40,000+ Produkte aus Jagd und Schiesssport

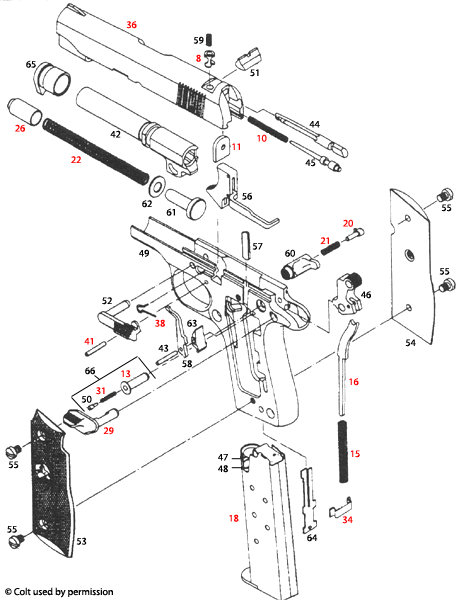
Entdecke die detaillierten Explosionszeichnungen der Colt® 380 Modelle, die dir helfen, die Komponenten und den Aufbau dieser beliebten Selbstladepistolen zu verstehen.

Colt® 380 Models Explosionszeichnung - Entdecke die Details deiner Waffe!

Auf dieser Seite findest du eine umfassende Explosionszeichnung für die Colt® 380 Modelle, die dir hilft, die einzelnen Komponenten und deren Anordnung deiner Autoloading Pistole besser zu verstehen. Diese Zeichnung ist ein unverzichtbares Werkzeug für alle Waffenbesitzer, die ihre Kenntnisse über die Technik und Wartung ihrer Colt® 380 Modelle erweitern möchten. Egal, ob du an Reparaturen, Anpassungen oder einfach nur an der Funktionsweise interessiert bist, hier erhältst du alle notwendigen Informationen in einer klaren und übersichtlichen Darstellung. Lass dich von den Details inspirieren und optimiere deine Schusswaffe!

Colt® 380 Models



Colt® 380 Models Explosionszeichnung


Colt® 380 Models
Klicke auf eine rote Nummer, um mehr Informationen über das betreffende Produkt zu erhalten und um es in den Warenkorb zu legen. Klicke "SKU Liste" um alle anderen Teile für diese Explosionszeichnung zu sehen.

Colt® 380 Models Ersatzteile


Zurück nach oben