Über 300.000 Kunden - wir sagen Danke!

40,000+ Produkte aus Jagd und Schiesssport

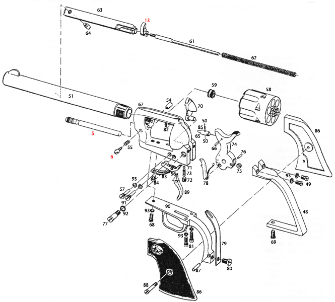
Entdecke die detaillierte Explosionszeichnung für den Colt® Single Action Army 3rd Gen. B.P. Rahmen, die dir hilft, die einzelnen Komponenten und deren Anordnung zu verstehen.

Colt® Single Action Army 3rd Gen. B.P. Frame Explosionszeichnung - Entdecke die Details!

Auf dieser Seite findest du die detaillierte Explosionszeichnung für den Colt® Single Action Army 3rd Generation B.P. Frame. Diese Zeichnung bietet dir einen umfassenden Überblick über die einzelnen Komponenten und deren Anordnung im Revolver. Ideal für Waffenliebhaber, Techniker und Sammler, die mehr über die Funktionsweise und den Aufbau dieses klassischen Revolvers erfahren möchten. Mit dieser Explosionszeichnung kannst du die einzelnen Teile leicht identifizieren und verstehen, wie sie zusammenarbeiten. Egal, ob du Restaurationsarbeiten planst oder einfach nur dein Wissen erweitern möchtest, diese Ressource ist unverzichtbar!

Colt® Single Action Army 3rd Gen. B.P. Frame



Colt® Single Action Army 3rd Gen. B.P. Frame Explosionszeichnung


Colt® Single Action Army 3rd Gen. B.P. Frame
Klicke auf eine rote Nummer, um mehr Informationen über das betreffende Produkt zu erhalten und um es in den Warenkorb zu legen. Klicke "SKU Liste" um alle anderen Teile für diese Explosionszeichnung zu sehen.

Colt® Single Action Army 3rd Gen. B.P. Frame Ersatzteile


Zurück nach oben