Über 300.000 Kunden - wir sagen Danke!

40,000+ Produkte aus Jagd und Schiesssport

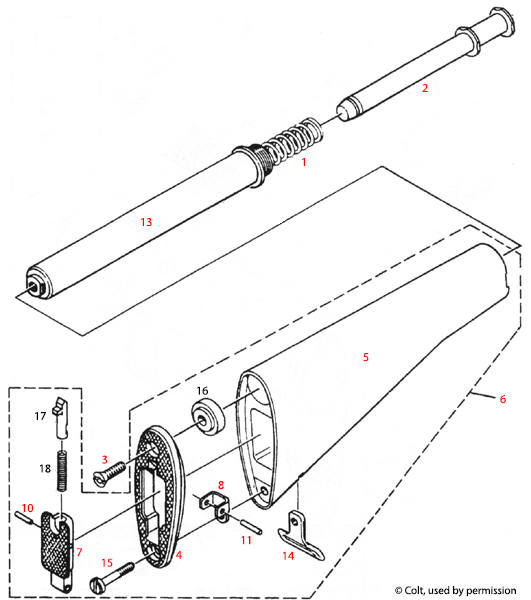
Entdecke die detaillierte Explosionszeichnung der Colt® AR-15 Buttstock Assembly, die dir hilft, die einzelnen Komponenten und deren Anordnung zu verstehen.

Colt® AR-15 Buttstock Assembly Explosionszeichnung - Entdecke die Details!

Die Colt® AR-15 Buttstock Assembly Explositionszeichnung bietet dir eine umfassende Übersicht über die einzelnen Teile und Komponenten des Buttstocks der Colt® AR-15. Hier findest du detaillierte Informationen, die dir helfen, die Struktur und Funktionsweise des Buttstocks besser zu verstehen. Egal, ob du ein erfahrener Waffenenthusiast oder ein Neuling bist, diese Explositionszeichnung ist ein wertvolles Werkzeug, um Reparaturen durchzuführen oder Anpassungen vorzunehmen. Mit klaren Visualisierungen und präzisen Bezeichnungen wird dir die Suche nach spezifischen Teilen erleichtert, sodass du deine Colt® AR-15 optimal nutzen kannst.

Colt® AR-15 Buttstock Assembly



Colt® AR-15 Buttstock Assembly Explosionszeichnung


Colt® AR-15 Buttstock Assembly
Klicke auf eine rote Nummer, um mehr Informationen über das betreffende Produkt zu erhalten und um es in den Warenkorb zu legen. Klicke "SKU Liste" um alle anderen Teile für diese Explosionszeichnung zu sehen.

Colt® AR-15 Buttstock Assembly Ersatzteile


Ersatzteil #1
Ersatzteil #10
Ersatzteil #13
Ersatzteil #2
Entdecke die AR6721 BUFFER ASSEMBLY von Colt für dein AR-15/M4. Perfekte Rückstoßdämpfung für ein besseres Schießerlebnis! ✨
COLT
AR6721 "H" BUFFER ASSEMBLY 4 OZ AR6721 "H" BUFFER ASSEMBLY 4 OZ
 
Bestellbar, nicht vorrätig
69,90 €
Zurück nach oben