Über 300.000 Kunden - wir sagen Danke!

40,000+ Produkte aus Jagd und Schiesssport

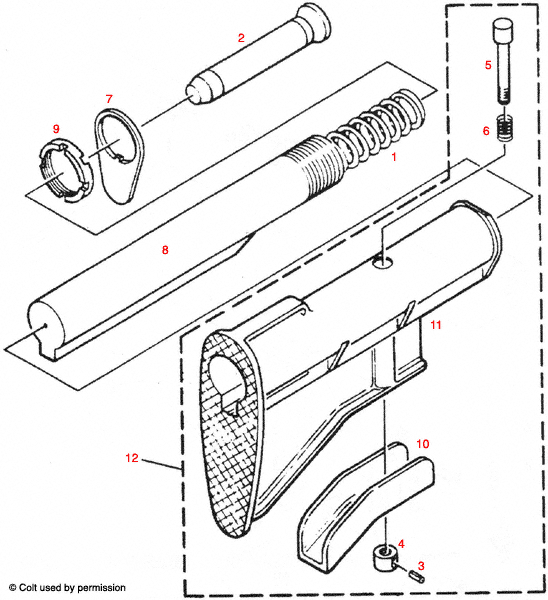
Die Explosionszeichnung zeigt die einzelnen Komponenten und deren Anordnung für die Sliding Buttstock Assembly des Colt® AR-15, um eine einfache Montage und Wartung zu ermöglichen.

Colt® AR-15 Sliding Buttstock Assembly Explosionszeichnung - Entdecke die Details!

Auf dieser Seite findest du die Explosionszeichnung für die Sliding Buttstock Assembly des Colt® AR-15. Diese detaillierte Darstellung zeigt dir alle Komponenten und deren Anordnung, sodass du ein besseres Verständnis für die Funktionsweise und den Aufbau des Systems erhältst. Egal, ob du ein erfahrener Waffenenthusiast oder ein Neuling bist, diese Explosionszeichnung ist ein wertvolles Werkzeug für Reparaturen, Wartungen oder Umbauten. Nutze die Informationen, um deine Kenntnisse zu erweitern und die Leistung deines AR-15 zu optimieren. Die visuelle Klarheit und die präzisen Details helfen dir, jedes Teil zu identifizieren und zu verstehen.

Colt® AR-15 Sliding Buttstock Assembly



Colt® AR-15 Sliding Buttstock Assembly Explosionszeichnung


Colt® AR-15 Sliding Buttstock Assembly
Klicke auf eine rote Nummer, um mehr Informationen über das betreffende Produkt zu erhalten und um es in den Warenkorb zu legen. Klicke "SKU Liste" um alle anderen Teile für diese Explosionszeichnung zu sehen.

Colt® AR-15 Sliding Buttstock Assembly Ersatzteile


Zurück nach oben