Über 300.000 Kunden - wir sagen Danke!

40,000+ Produkte aus Jagd und Schiesssport

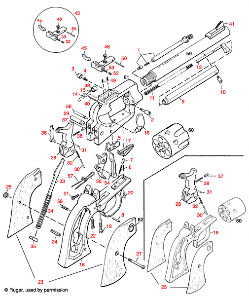
Entdecke detaillierte Explosionszeichnungen für den Ruger® Super Blackhawk Revolver, die dir helfen, die einzelnen Teile und deren Anordnung besser zu verstehen.

Ruger® Super Blackhawk Explosionszeichnung - Entdecke die Details!

Die Ruger® Super Blackhawk Explosionszeichnung bietet dir eine detaillierte Übersicht über alle Komponenten und Teile dieses legendären Revolvers. Hier findest du eine umfassende Darstellung, die dir hilft, die Struktur und Funktionsweise des Waffensystems besser zu verstehen. Egal, ob du ein erfahrener Waffenenthusiast oder ein Neuling bist, diese Explosionszeichnung ist ein wertvolles Werkzeug für deine Reparaturen oder Anpassungen. Mit klaren Bezeichnungen und einer übersichtlichen Anordnung der Teile kannst du sicherstellen, dass du alles hast, was du für die Wartung deines Super Blackhawk benötigst. Lass dich von der Präzision und Qualität dieser Zeichnung überzeugen!

Ruger® Super Blackhawk



Ruger® Super Blackhawk Explosionszeichnung


Ruger® Super Blackhawk
Klicke auf eine rote Nummer, um mehr Informationen über das betreffende Produkt zu erhalten und um es in den Warenkorb zu legen. Klicke "SKU Liste" um alle anderen Teile für diese Explosionszeichnung zu sehen.

Ruger® Super Blackhawk Ersatzteile


Zurück nach oben