Über 300.000 Kunden - wir sagen Danke!

40,000+ Produkte aus Jagd und Schiesssport

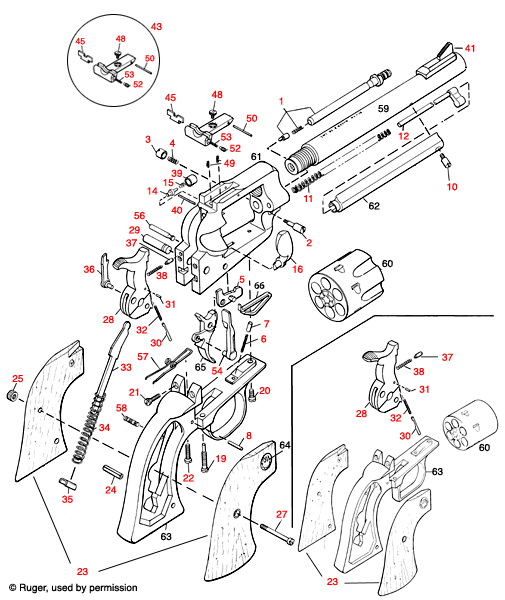
Entdecke detaillierte Explosionszeichnungen für den Ruger® Super Blackhawk Hunter, die dir helfen, die einzelnen Komponenten und deren Zusammenbau besser zu verstehen.

Ruger® Super Blackhawk Hunter Explosionszeichnung - Entdecke die Details!

Die Ruger® Super Blackhawk Hunter Explosionszeichnung bietet dir eine umfassende Übersicht über die einzelnen Komponenten dieses beeindruckenden Revolvers. Hier findest du detaillierte Illustrationen, die dir helfen, die Funktionsweise und den Aufbau des Pistolenmodells besser zu verstehen. Egal, ob du ein leidenschaftlicher Sammler, ein begeisterter Schütze oder einfach nur an der Technik interessiert bist, diese Explosionszeichnung ist ein unverzichtbares Werkzeug. Mit klaren Beschriftungen und einer übersichtlichen Darstellung kannst du sicherstellen, dass du immer bestens informiert bist, wenn es um deinen Ruger geht.

Ruger® Super Blackhawk Hunter



Ruger® Super Blackhawk Hunter Explosionszeichnung


Ruger® Super Blackhawk Hunter
Klicke auf eine rote Nummer, um mehr Informationen über das betreffende Produkt zu erhalten und um es in den Warenkorb zu legen. Klicke "SKU Liste" um alle anderen Teile für diese Explosionszeichnung zu sehen.

Ruger® Super Blackhawk Hunter Ersatzteile


Zurück nach oben